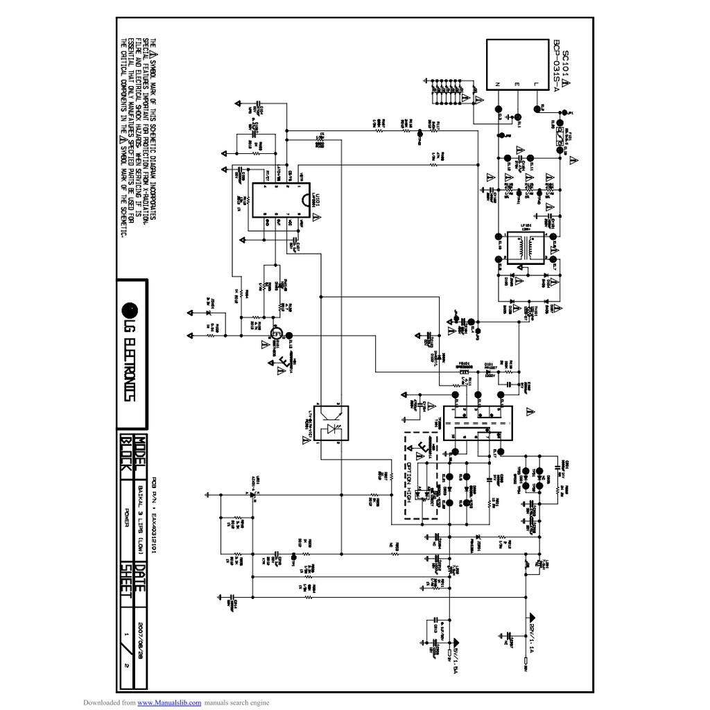
Hướng dẫn sửa chữa và sơ đồ màn LG flatron w1942s

Máy Tính & Laptop > Khác > Khác > Hướng dẫn sửa chữa và sơ đồ màn LG flatron w1942s
  • Giao hàng toàn quốc
  • Được kiểm tra hàng
  • Thanh toán khi nhận hàng
  • Chất lượng, Uy tín
  • 7 ngày đổi trả dễ dàng
  • Hỗ trợ xuất hóa đơn đỏ

Giới thiệu Hướng dẫn sửa chữa và sơ đồ màn LG flatron w1942s

Hướng dẫn sửa chữa và sơ đồ màn LG flatron w1942s
Dùng cho kỹ thuật điện tử phần cứng chuyên nghiệp.
Vui lòng liên hệ Zalo: 0328723707 hoặc Faceook :https://www.facebook.com/profile.php?id=100010846539287 để trao đổi thuận tiện hơn..

Hình ảnh sản phẩm

Hướng dẫn sửa chữa và sơ đồ màn LG flatron w1942s
Hướng dẫn sửa chữa và sơ đồ màn LG flatron w1942s
Hướng dẫn sửa chữa và sơ đồ màn LG flatron w1942s
Hướng dẫn sửa chữa và sơ đồ màn LG flatron w1942s

Giá ARCA
Liên kết: Phấn nước nâng tông thuần chay lâu trôi Dewy Lasting Vegan Tone-Up Cushion SPF33 PA++ The Face Shop