Mạch điều khiển máy cnc 4 trục USB mach3

Máy Tính & Laptop > Máy In, Máy Scan & Máy Chiếu > Khác > Mạch điều khiển máy cnc 4 trục USB mach3
  • Giao hàng toàn quốc
  • Được kiểm tra hàng
  • Thanh toán khi nhận hàng
  • Chất lượng, Uy tín
  • 7 ngày đổi trả dễ dàng
  • Hỗ trợ xuất hóa đơn đỏ

Giới thiệu Mạch điều khiển máy cnc 4 trục USB mach3

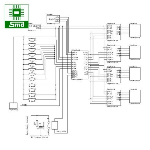
Mạch điều khiển máy cnc 4 trục USB sử dụng được với phần mềm Mach3 trên máy tính thông qua giao tiếp USB với chỉ một vài bước thiết lập đơn giản.
Mạch điều khiển máy cnc 4 trục USB có khả năng điều khiển 4 động cơ bước cùng lúc qua các ngõ cấp xung-chiều X, Y, Z, A, mạch còn có khả năng nhận các ngõ vào tín hiệu IN1, IN2, IN3, IN4, và xuất tín hiệu qua các ngõ ra OUT1, OUT2, OUT3, OUT4, các ngõ tín hiệu vào ra này điều được cách ly qua Opto và IC đệm nên rất an toàn cho board mạch.
Mạch điều khiển máy cnc 4 trục USB có giao tiếp USB rất dễ sử dụng với các máy tính hiện nay vì hầu hết không có cổng LPT, mạch kết nối với máy tính qua cổng USB, không cần cài Driver (Driver viết lớp HID), chỉ 1 vài bước thiết lập đơn giản là có thể sử dụng.
Lưu ý: để xuất xung từ Mạch điều khiển máy cnc 4 trục USB sang Driver động cơ bước, cần nối dương chung 5V của mạch BOB với chân dương chung của mạch Driver để 2 board mạch có thể hiểu nhau.

THÔNG SỐ KĨ THUẬT
Giao tiếp với máy tính qua cổng USB.
Nguồn sử dụng: 5VDC USB.
Tần số xung tối đa: 100Khz.
Điều khiển 4 động cơ bước qua các trục X, Y, Z, A.
Số ngõ vào: 4 ngõ IN1, IN2 IN3, IN4 cách ly Opto.
Số ngõ ra: 4 ngõ OUT1, OUT2, OUT3, OUT4 cách ly IC đệm.
Kích thước: 77.7×81.5mm

BỘ SẢN PHẨM BAO GỒM
1x Mạch cnc usb mach3
1x Dây usb-b
1x Đĩa DVD

QUY ĐỊNH BẢO HÀNH VÀ ĐỔI TRẢ
Hỗ trợ kiểm tra.
Cam kết đổi trả trong 7 ngày với các trường hợp lỗi do sản phẩm.
Shop chỉ sử lý các trường hợp thiếu hàng khi có video mở hộp.
Các trường hợp không may phát sinh về vấn đề kỹ thuật hỏng hóc vui lòng liên hệ shop để được hỗ trợ trong giờ hành chính.

Shop cam kết sản phẩm đúng như hình ảnh. Hỗ trợ sửa chữa cho khách hàng dù sản phẩm đã hết bảo hành.
Cám ơn các bạn đã mua sản phẩm của SMDCHIP.

#mach#dieu#khien#dongco#4trucusb#maycncn#smd#smdchip

Hình ảnh sản phẩm

Mạch điều khiển máy cnc 4 trục USB mach3
Mạch điều khiển máy cnc 4 trục USB mach3
Mạch điều khiển máy cnc 4 trục USB mach3
Mạch điều khiển máy cnc 4 trục USB mach3
Mạch điều khiển máy cnc 4 trục USB mach3
Mạch điều khiển máy cnc 4 trục USB mach3
Mạch điều khiển máy cnc 4 trục USB mach3
Mạch điều khiển máy cnc 4 trục USB mach3

Giá CSW
Liên kết: Set 5 miếng Mặt nạ Bơ phục hồi độ ẩm Real Nature Avocado Face Mask The Face Shop