Mạch pin makita 14.4V 4S và 18V 5S sạc cân bằng và bảo vệ xả, nhận sạc zin

Dụng cụ và thiết bị tiện ích > Thiết bị mạch điện > Thiết bị mạch điện khác > Mạch pin makita 14.4V 4S và 18V 5S sạc cân bằng và bảo vệ xả, nhận sạc zin
  • Giao hàng toàn quốc
  • Được kiểm tra hàng
  • Thanh toán khi nhận hàng
  • Chất lượng, Uy tín
  • 7 ngày đổi trả dễ dàng
  • Hỗ trợ xuất hóa đơn đỏ

Giới thiệu Mạch pin makita 14.4V 4S và 18V 5S sạc cân bằng và bảo vệ xả, nhận sạc zin

Thông tin sản phẩm và sử dụng:
Mạch bảo vệ pin makita, 4s 14.4v, 5s 18v
- Mạch dùng được cho pin 4s 14.4v và 5s 18v
- Sử dụng: Dùng cho pin makita, 4s 5s,  14.4v - 18v Li-ion, lắp vừa hầu hết vỏ pin makita, 14.4v - 18v
- Mạch nhận sạc zin
- Chức năng:
+ Chức năng sạc cân bằng từng cell một
+ Bảo vệ sạc: 4.2V
+ Bảo vệ xả: 2.75V
+ Mạch sạc cân bằng và bảo vệ xả, có tích hợp Led báo pin
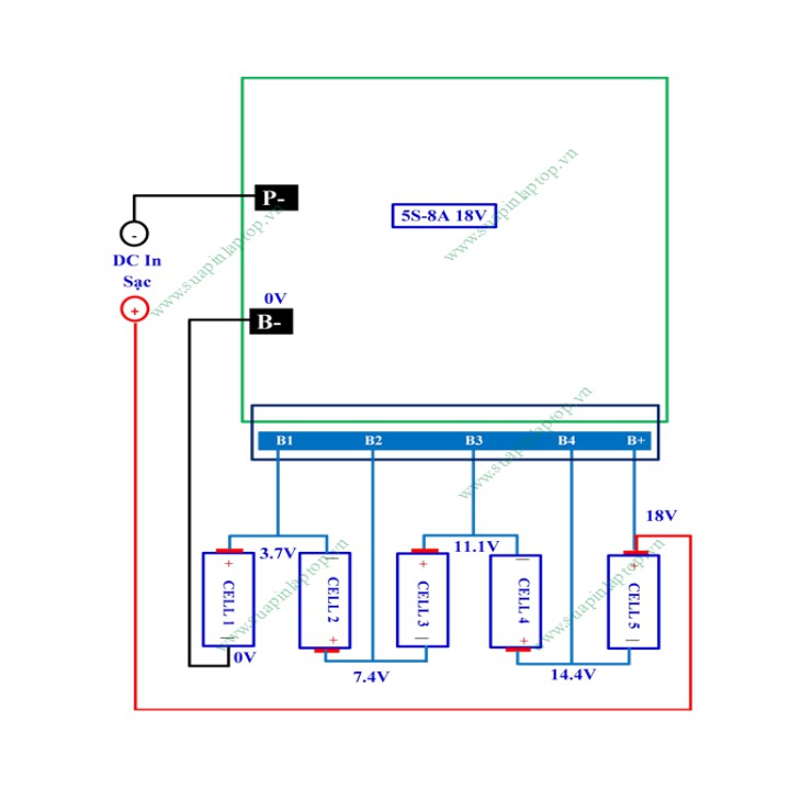
- Cách đấu mạch:
+ Đấu mạch sạc 4s 14.4v: Trên mạch, hàn lần lượt, theo thứ tự từ B-, 4V, 8V, 12V và B+ và pack pin 0V(B-), 3.7V(B1), 7.4V(B2), 11.1V(B3) và 14.8V(+B4). Chú ý: Nối đường 16V (trên mạch, đang bỏ trống) vào B+.
+ Đấu mạch sạc 5s 18v: Trên mạch, hàn lần lượt, theo thứ tự từ B-, 4V, 8V, 12V, 16V và B+ và pack pin 0V(B-), 3.7V(B1), 7.4V(B2), 11.1V(B3), 14.8V(B4) và 18.5V(B+).
- Mạch sạc cân bằng khi sạc với sạc zin Makita. Nếu muốn dùng sạc adaptop dc, nên ghép thêm mạch sạc 4s/5s 8a
Lưu ý:
- Khi đóng pin cho máy khoan cần chọn cell có dòng xả cao (10C, 15C, 20C,…)
- Đóng pin từ 2P (2 cell song song) trở lên và không dùng cell cũ/kém chất lượng
- Sản phẩm là 01 mạch bảo vệ pin (Bms), không bao gồm pin, sạc hay sản phẩm minh hoạ khác. Các thông số nêu trên là từ nhà sản xuất (Nsx), shop chưa kiểm chứng thực tế
-----------
Một số điều cần biết v/v đổi/trả hàng:
- Bms là sản phẩm điện tử chuyên ngành và sử dụng kết hợp. Để Bms hoạt động phải đảm bảo 2 điều kiện “cần” và “đủ”: Khối pin đạt chuẩn và thợ hàn mạch chính xác theo Hd từ Nsx và Shop
- Khối pin phải được hàn ghép từ các cell đạt chuẩn, phải có 3 thông số: Điện áp, dung lượng và nội trở đồng đều ở từng cell một và được cân bằng điện áp ở mức 3.7v, không để cell quá cạn hoặc sạc quá đầy (trên 4.2v), không dùng được với khối pin không đạt chuẩn (cell cũ từ nhiều nguồn khác nhau)
- Thợ phải có kiến thức chuyên ngành năng lượng pin và có đủ thiết bị đo kiểm, đồng thời phải có kinh nghiệm để đảm bảo không hàn sai, ngược hay chạm chân linh kiện, cũng như phải đảm bảo được việc chọn lựa dòng sạc-xả giữa mạch, pin và thiết bị đầu cuối là phù hợp và chuẩn xác
- Cần kiểm tra sp trước khi dùng (phải có video). Nếu phát hiện sp không mới 100% hay không còn nguyên vẹn do vận chuyển hoặc lỗi Nsx… Hãy giữ nguyên để Shop đổi
- Shop từ chối đổi/trả hàng khi đã sử dụng: Một số “thợ” sửa xe, sửa ống nước….. kiêm sửa pin (lần đầu và/hoặc chỉ mua 1, 2 sp). Thấy pin đang sài bt, nay k dùng được thì nghĩ là hư Bms và đặt mua về tự thay hoặc một số “thợ” tự mua cell và Bms về đóng pin mới (copy theo pin cũ), trong khi k hiểu rõ…. đôi lúc mua sạc sai điện áp hoặc đấu ngược giắc cắm DC…hệ quả là k sạc được pin hoặc chạm nguồn, cháy nổ và hỏng mạch…..
------------
Thông tin liên hệ và lịch làm việc:
341/58b Lạc Long Quân, P.5, Q.11, Tp.HCM
Hotline: 0913 981 981 – 028 3601 7567
Website: www.suapinlaptop.vn
Mở cửa: 8:00 - 18:00 (Lễ và CN nghỉ)
------------
#machpinmakita4s #machpinmakita5s #machpinmakita4s5s #machpinmakita18v #machpinmakita14.4v #mạchbảovệ4smakita #mạchbảovệ4s14.4vmakita #mạchbảovệ14.4Vbalance

Hình ảnh sản phẩm

Mạch pin makita 14.4V 4S và 18V 5S sạc cân bằng và bảo vệ xả, nhận sạc zin
Mạch pin makita 14.4V 4S và 18V 5S sạc cân bằng và bảo vệ xả, nhận sạc zin
Mạch pin makita 14.4V 4S và 18V 5S sạc cân bằng và bảo vệ xả, nhận sạc zin
Mạch pin makita 14.4V 4S và 18V 5S sạc cân bằng và bảo vệ xả, nhận sạc zin
Mạch pin makita 14.4V 4S và 18V 5S sạc cân bằng và bảo vệ xả, nhận sạc zin
Mạch pin makita 14.4V 4S và 18V 5S sạc cân bằng và bảo vệ xả, nhận sạc zin
Mạch pin makita 14.4V 4S và 18V 5S sạc cân bằng và bảo vệ xả, nhận sạc zin
Mạch pin makita 14.4V 4S và 18V 5S sạc cân bằng và bảo vệ xả, nhận sạc zin
Mạch pin makita 14.4V 4S và 18V 5S sạc cân bằng và bảo vệ xả, nhận sạc zin
Mạch pin makita 14.4V 4S và 18V 5S sạc cân bằng và bảo vệ xả, nhận sạc zin
Mạch pin makita 14.4V 4S và 18V 5S sạc cân bằng và bảo vệ xả, nhận sạc zin
Mạch pin makita 14.4V 4S và 18V 5S sạc cân bằng và bảo vệ xả, nhận sạc zin
Mạch pin makita 14.4V 4S và 18V 5S sạc cân bằng và bảo vệ xả, nhận sạc zin
Mạch pin makita 14.4V 4S và 18V 5S sạc cân bằng và bảo vệ xả, nhận sạc zin
Mạch pin makita 14.4V 4S và 18V 5S sạc cân bằng và bảo vệ xả, nhận sạc zin
Mạch pin makita 14.4V 4S và 18V 5S sạc cân bằng và bảo vệ xả, nhận sạc zin
Mạch pin makita 14.4V 4S và 18V 5S sạc cân bằng và bảo vệ xả, nhận sạc zin
Mạch pin makita 14.4V 4S và 18V 5S sạc cân bằng và bảo vệ xả, nhận sạc zin

Giá DNA
Liên kết: Kem dưỡng da tay hàng ngày hương nước hoa thuần chay Daily Moment Vegan Hand Cream The Face Shop 30ml