Mô đun công tắc hẹn giờ 0 giây-90 phút AC 220V chuyên dụng

Dụng cụ và thiết bị tiện ích > Dụng cụ điện và thiết bị lớn > Thiết bị khác > Mô đun công tắc hẹn giờ 0 giây-90 phút AC 220V chuyên dụng
  • Giao hàng toàn quốc
  • Được kiểm tra hàng
  • Thanh toán khi nhận hàng
  • Chất lượng, Uy tín
  • 7 ngày đổi trả dễ dàng
  • Hỗ trợ xuất hóa đơn đỏ

Giới thiệu Mô đun công tắc hẹn giờ 0 giây-90 phút AC 220V chuyên dụng

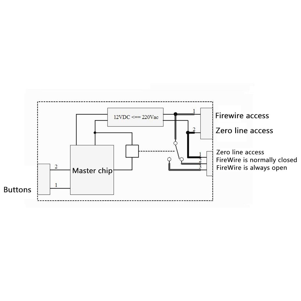
Features:
Display:adjust the time to display the set time; the delay process,dynamic display countdown.
After the trigger,the load is switched on,and the load is disconnected after the specified time.
In the process of delay,the button operation immediately stops the delay and returns to the initial state.
Delay in the process of digital tube to reduce the brightness,and the time delay of the countdown,real-time display of the remaining time.
Press the key to trigger,trigger immediate start action and delay.(if the key is connected to the power before it is short,then the power will be switched on and a set time delay)
Warning:This module uses RC step-down,Please install debug and Caution!
Install in the product should pay attention to creepage distance requirements in case of any electric shock damage.
The adjustable resistor to set the time, adjustable range:1 to 99,the jumper can choose units, jumper in seconds,tuning range 1-99 seconds,jumper in minutes,adjusting range 1-99 minutes.

Specifications:
Voltage:220V AC (160V-250V can work)
Power Consumption:1.0W
Time range:1-99 seconds or 1-99 minutes
Output contact:normally open + normally closed
Accuracy:1 (seconds or minutes, depending on jumper setting)
Trigger method:Short-circuited more than 0.02 seconds
Output capability:10A (voltage range 0-250V AC, or 0-30V DC)
Output method:Active output (only control the fire line off), normally open + normally closed
Time adjustment:Potentiometer (500K),dynamically displayed on the digital tube during adjustment
Display method:2 red digital tubes (The remaining time is displayed during the countdown process,otherwise the set time is displayed)
Size:9x4cm/3.54x1.57inch
Note:
Please allow 1-3mm error due to manual measurement.pls make sure you do not mind before you bid.
Due to the difference between different monitors,the picture may not reflect the actual color of the item.Thank you!

Package Includes:
1x Relay Module

Hình ảnh sản phẩm

Mô đun công tắc hẹn giờ 0 giây-90 phút AC 220V chuyên dụng
Mô đun công tắc hẹn giờ 0 giây-90 phút AC 220V chuyên dụng
Mô đun công tắc hẹn giờ 0 giây-90 phút AC 220V chuyên dụng
Mô đun công tắc hẹn giờ 0 giây-90 phút AC 220V chuyên dụng
Mô đun công tắc hẹn giờ 0 giây-90 phút AC 220V chuyên dụng
Mô đun công tắc hẹn giờ 0 giây-90 phút AC 220V chuyên dụng
Mô đun công tắc hẹn giờ 0 giây-90 phút AC 220V chuyên dụng
Mô đun công tắc hẹn giờ 0 giây-90 phút AC 220V chuyên dụng
Mô đun công tắc hẹn giờ 0 giây-90 phút AC 220V chuyên dụng
Mô đun công tắc hẹn giờ 0 giây-90 phút AC 220V chuyên dụng
Mô đun công tắc hẹn giờ 0 giây-90 phút AC 220V chuyên dụng
Mô đun công tắc hẹn giờ 0 giây-90 phút AC 220V chuyên dụng
Mô đun công tắc hẹn giờ 0 giây-90 phút AC 220V chuyên dụng
Mô đun công tắc hẹn giờ 0 giây-90 phút AC 220V chuyên dụng
Mô đun công tắc hẹn giờ 0 giây-90 phút AC 220V chuyên dụng
Mô đun công tắc hẹn giờ 0 giây-90 phút AC 220V chuyên dụng
Mô đun công tắc hẹn giờ 0 giây-90 phút AC 220V chuyên dụng
Mô đun công tắc hẹn giờ 0 giây-90 phút AC 220V chuyên dụng

Giá BSSB
Liên kết: Masacara thuần chay dài và cong mi đẹp tự nhiên Maxx Eye Vegan Mascara fgmt The Face Shop