Bộ Đèn Nhấp Nháy NICKOLAS NE555 + CD4017

Dụng cụ và thiết bị tiện ích > Thiết bị mạch điện > Thiết bị mạch điện khác > Bộ Đèn Nhấp Nháy NICKOLAS NE555 + CD4017
  • Giao hàng toàn quốc
  • Được kiểm tra hàng
  • Thanh toán khi nhận hàng
  • Chất lượng, Uy tín
  • 7 ngày đổi trả dễ dàng
  • Hỗ trợ xuất hóa đơn đỏ

Giới thiệu Bộ Đèn Nhấp Nháy NICKOLAS NE555 + CD4017

Xin chào người mua thân mến, tất cả các sản phẩm được vận chuyển từ Trung Quốc, chào mừng bạn đến mua. Đơn đặt hàng thường được giao trong vòng ba ngày làm việc kể từ khi đặt hàng và đến nơi trong vòng 8-15 ngày, hãy kiên nhẫn.

Tình trạng " Chất lượng cao
Loại " Bộ đèn nhấp nháy hai màu xanh đỏ
Nguồn cung cấp : 9-12V
Số lượng × 1 bộ
Đóng gói ' 1 bộ Bộ đèn nhấp nháy
Mô tả
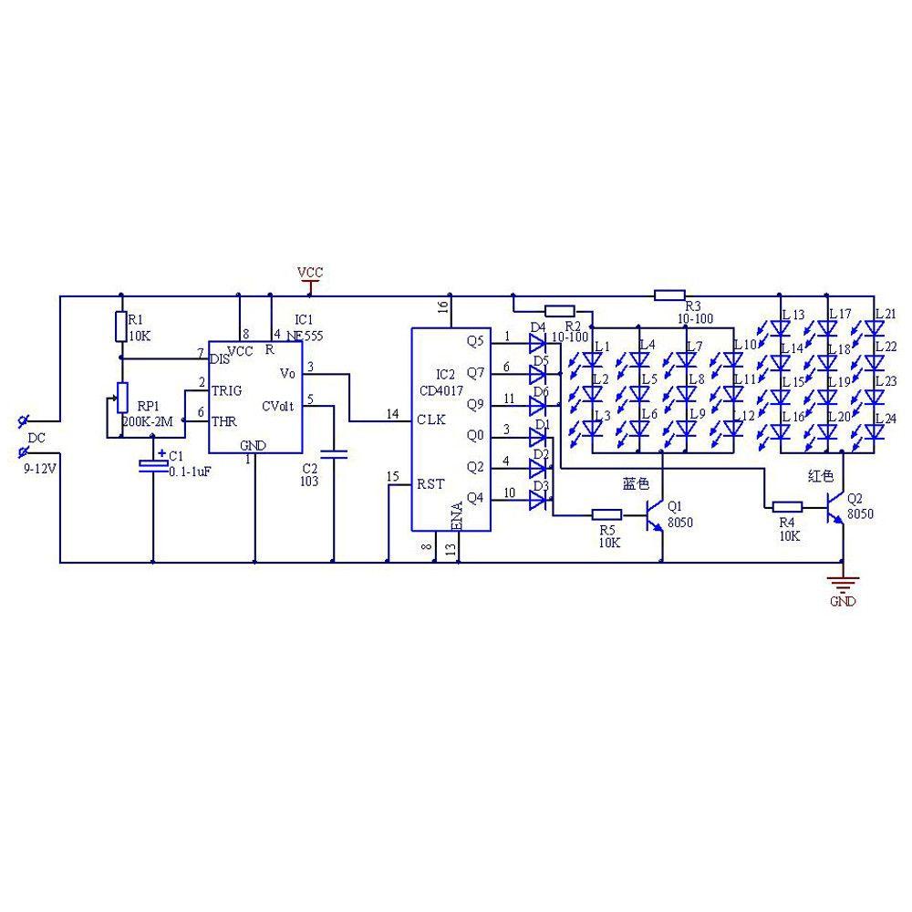
Bộ này sử dụng mạch ánh sáng mô phỏng được làm bằng NE555 và CD40117 , đèn LED xanh lam và đèn LED đỏ nhấp nháy luân phiên theo xung . Bộ đa rung bao gồm NE555 sẽ có một tần số tín hiệu dao động nhất định được gửi đến bộ phân phối bộ đếm thập phân CD4017 , theo thứ tự đếm . Khi 1,3,5 xung đến mức cao đầu ra Q0,0Q2,6Q4 lần lượt , đèn LED màu xanh lam nhấp nháy 3 lần lượt xuất ra mức cao . Đèn LED màu đỏ nhấp nháy 3 lần , đèn LED màu xanh lam nhấp nháy lại khi 11,13,15 xung trở lại và Đèn LED màu đỏ nhấp nháy luân phiên theo tuần hoàn để thích đèn báo động . Thay đổi kích thước RP1 có thể thay đổi chu kỳ dao động , do đó thay đổi tốc độ sáng của đèn LED. toàn bộ mạch DC9-12V có thể hoạt động.
Đèn nhấp nháy màu đỏ và đèn nhấp nháy màu xanh lam tạo thành một bảng được kết nối riêng biệt với bảng chính thông qua lỗ tem . Nếu bạn cần lắp riêng vào nơi khác hoặc tăng khoảng cách , bạn nên cắt qua lỗ tem,Sau đó kết nối với bo mạch chủ bằng hai dây . Vui lòng chú ý đến hướng của đèn LED khi lắp đặt , đặc biệt là hướng của L11 và L12.Điều khiển R2 và R3 với độ sáng của ánh sáng , bạn có thể thay đổi nó một cách thích hợp , phạm vi là 10-100 ohm .

Lưu Ý-Không có ổ cắm IC trong bộ dụng cụ . Người dùng có thể hàn IC trực tiếp trên PCB .
Bộ đèn nhấp nháy Màu xanh đỏ Đôi màu NE555 + CD4017 Bộ dụng cụ tự làm Bộ đèn nhấp nháy Bộ đồ điện tử Bộ phụ tùng tự làm Quà tặng Sáng tạo vui nhộn

Thời gian trực tuyến của dịch vụ khách hàng của cửa hàng thường là từ 9:00 sáng đến 6:00 chiều theo giờ Bắc Kinh, Trung Quốc và ngày trực tuyến thường là thứ Hai đến thứ Sáu vào các ngày làm việc

Hình ảnh sản phẩm

Bộ Đèn Nhấp Nháy NICKOLAS NE555 + CD4017
Bộ Đèn Nhấp Nháy NICKOLAS NE555 + CD4017
Bộ Đèn Nhấp Nháy NICKOLAS NE555 + CD4017
Bộ Đèn Nhấp Nháy NICKOLAS NE555 + CD4017
Bộ Đèn Nhấp Nháy NICKOLAS NE555 + CD4017
Bộ Đèn Nhấp Nháy NICKOLAS NE555 + CD4017
Bộ Đèn Nhấp Nháy NICKOLAS NE555 + CD4017
Bộ Đèn Nhấp Nháy NICKOLAS NE555 + CD4017
Bộ Đèn Nhấp Nháy NICKOLAS NE555 + CD4017
Bộ Đèn Nhấp Nháy NICKOLAS NE555 + CD4017
Bộ Đèn Nhấp Nháy NICKOLAS NE555 + CD4017
Bộ Đèn Nhấp Nháy NICKOLAS NE555 + CD4017
Bộ Đèn Nhấp Nháy NICKOLAS NE555 + CD4017
Bộ Đèn Nhấp Nháy NICKOLAS NE555 + CD4017
Bộ Đèn Nhấp Nháy NICKOLAS NE555 + CD4017
Bộ Đèn Nhấp Nháy NICKOLAS NE555 + CD4017
Bộ Đèn Nhấp Nháy NICKOLAS NE555 + CD4017
Bộ Đèn Nhấp Nháy NICKOLAS NE555 + CD4017

Giá ERTHA
Liên kết: Kem dưỡng da tay hàng ngày hương nước hoa thuần chay Daily Moment Vegan Hand Cream The Face Shop 30ml